SIS阀:属于安全仪表系统,主要用于在生产装置出现异常工况时迅速处理,以保护人员和设备安全。SIS阀的设计和运作是为了确保安全,它能在瞬间准确动作,使生产过程安全停止或自动导入预定的安全状态。
DCS阀:属于分散控制系统,主要用于连续监测和控制生产过程,确保生产过程的平稳运行和质量。DCS阀持续对过程变量进行检测、运算和控制,适用于动态系统。
根据工艺情况不同,DCS阀和SIS阀可分为并联安装和串联安装,那么,什么情况下需要并联安装,什么情况下又需要串联安装呢?
1 并联安装场景
①冷却水管线上的DCS阀和SIS阀并联安装
②放空管线上的DCS阀和SIS阀并联安装
③终止剂管线上的DCS阀和SIS阀并联安装
2 串联安装场景
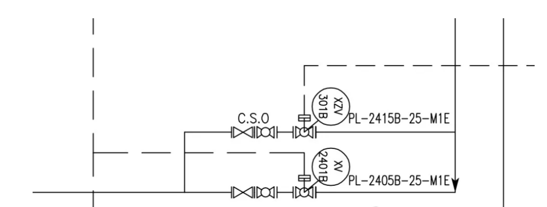
①进料管线上的DCS阀和SIS阀串联安装
②蒸汽管线上的DCS阀和SIS阀串联安装
一般而言,用于进料的阀和热媒阀(蒸汽、导热油、热水等)等紧急情况下需要关闭的采用串联安装,放空阀、冷媒阀(冷却水、冷冻盐水、R22等) 、终止剂阀等紧急情况需要打开的采用并联安装。用于进料的两个阀门的安装位置有先后顺序,DCS阀完成正常的流量调节功能。而SIS阀是为了防止超流量进料的紧急切断功能,保证进料的安全。(注意:特定场景应用,具体情况具体分析,不能生搬硬套)
3 两者区别
(一)功能定位不同
SIS 联锁:主要用于实现安全功能,当生产过程出现可能导致危险的情况时,迅速采取动作,将过程带入安全状态,以防止事故的发生或减轻事故的后果。例如在化工、石油等高危行业,当检测到压力、温度等关键参数超过安全限值时,SIS 联锁会立即触发紧急停车等安全动作。
DCS 联锁:侧重于过程控制,对生产过程中的各种参数进行监测和调节,以确保生产过程稳定、高效地运行。例如调节温度、压力、流量等参数,使其保持在设定的范围内,以满足生产工艺的要求。
(二)可靠性要求不同
SIS 联锁:具有非常高的可靠性和安全性要求。通常采用冗余设计,包括传感器冗余、逻辑控制器冗余、执行机构冗余等,以确保在任何单一故障情况下系统仍能正常工作。其安全完整性等级(SIL)较高,一般在 SIL2 及以上。
DCS 联锁:虽然也需要一定的可靠性,但相对 SIS 来说要求较低。DCS 系统主要关注生产过程的控制和优化,对故障的容忍度相对较高,一般采用部分冗余或不采用冗余设计。(三)响应时间不同
SIS 联锁:响应时间非常短,通常在几毫秒到几百毫秒之间。这是因为在危险情况下,需要迅速采取行动以避免事故的发生。
DCS 联锁:响应时间相对较长,一般在几秒到几十秒之间。这是因为 DCS 主要是进行过程控制,对响应时间的要求没有 SIS 那么严格。
(四)设计原则不同
SIS 联锁:遵循安全设计原则,采用故障安全型设计,即当系统出现故障时,能够自动导向安全状态。例如,当传感器故障时,系统默认进入安全模式,触发相应的安全动作。
DCS 联锁:遵循控制设计原则,主要考虑系统的稳定性、准确性和灵活性。在出现故障时,通常会采取报警等方式通知操作人员进行处理,而不是自动进入安全状态。
(五)维护管理不同
SIS 联锁:需要定期进行严格的功能测试和验证,以确保其在需要时能够可靠地动作。维护人员需要具备专业的安全知识和技能,对系统进行专业的维护和管理。
DCS 联锁:维护管理相对较为常规,主要包括软件升级、硬件维护、参数调整等。维护人员通常需要具备过程控制方面的知识和技能。
结语
总结来说,SIS阀和DCS阀虽然都是用于控制流体的阀门,但它们在功能、应用和设计原则上有显著区别,主要体现在安全性和可靠性的要求上。SIS阀更加专注于安全联锁和紧急停车,而DCS阀则侧重于生产过程的自动化和控制。